SDM9028

应用领域

洗地机

洗地机

通讯口

I²C

I²C

封装

TSSOP 20

TSSOP 20

串数

5~8

5~8
芯片描述

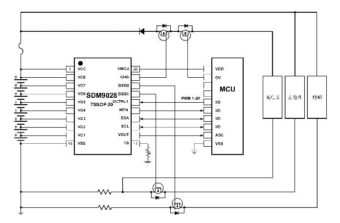
SDM9028是一颗集成 OV/UV/OT/UT 保护功能,同时集成均衡功能的 5~8 串锂离子AFE 芯片。提供 1~8 串电池电压的电平转换电路,可将单节电池电压以相同的增益,转换为以地为基准的模拟电压信号,并以 0.5 倍分压输出。本产品的技术规格更加适用于 5~8 串的吸尘器,洗地机应用,所集成的二级硬件保护,有助于满足安规认证要求。也可应用于电动工具、园林工具、两轮车、高功率移动电源等。

芯片特点
  • 模拟电压输出 VOUT

  • NTC电压模拟输出

  • 内置高精度保护电路

  • 集成均衡电路,需要MCU发送指令控制每一节电芯均衡

  • 集成I2C通讯100KHZ

  • 吸尘器专用的2路DFET放电驱动

  • 集成3.3V或5V LDO,VCC电压大于8.5V驱动能力可达30mA

  • 节间耐压-30V to 50V

  • 低运行功耗

  • 超高ESD防护能力,HBM ±4KV

芯片框图
应用领域

产品搜索

样片申请
及购买




请填写真实有效的邮箱地址!